Heating Blocks Volcano
To ensure the proper functioning of the Volcano heating block, it is essential to use specialized Volcano nozzles. These nozzles are engineered to work seamlessly with the heating block, maximizing performance and print quality.
If you're looking to enhance your 3D printing capabilities, the Volcano heating block is an excellent choice for achieving faster print speeds and improved material flow.
|
66 UAH
|
In stock
|
-
+
|
|
|
|
66 UAH
|
In stock
|
-
+
|
|
Characteristics of the Volcano Heating Block
The heating block is one of the most critical components of a 3D printer. It is responsible for melting the plastic filament and facilitating its subsequent extrusion. The heating block must maintain stability and accuracy in the required temperature for 3D printing, particularly when printing at high speeds.
The Volcano heating block is designed to meet these demands, ensuring consistent thermal performance. Its robust construction allows it to handle higher flow rates, making it ideal for large-volume prints and complex geometries. With the Volcano heating block, you can achieve reliable and high-quality results in your 3D printing projects.

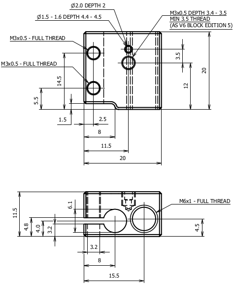
Volcano heating block drawing
As clearly illustrated in the diagram, the Volcano heating block significantly exceeds the dimensions of the standard heating blocks used in many models of 3D printers. This heating block is made from aluminum, measuring 20 mm on each side and 11.5 mm in height. It features two holes with a diameter of 6 mm for installing the ceramic heater and threaded holes for screwing in the nozzle and thermobarrier tube. Additionally, there is a 2 mm diameter hole for the thermistor. The side of the heating element hole has a through slot to ensure a more secure fit for the heating element.
There are several varieties of Volcano heating blocks with different parameters and sizes.
In our online store, the Volcano heating blocks are available in the following models:
- Volcano Heating Block 20x24 (for PT100 thermocouples)
- Volcano Heating Block 20x20 (for NTC thermistors)
If you want to replace your old V6 or V5 series heating block with a Volcano, it can be done quite easily with minimal changes to your 3D printer's hot end. However, if you're looking to purchase a 3D printer that already comes with a Volcano heating block installed, you should consider the following FDM 3D printers from Anycubic:
- Anycubic Kobra
- Anycubic Kobra 2
- Anycubic Kobra Max
The Volcano heating blocks offer the benefits of high-speed printing, reliable construction, and long service life, among many others.
They utilize specially designed nozzles with an extended threaded section. Depending on the filament used, nozzles are classified into hardened (steel) and standard (brass) types
Buy Volcano Heating Blocks
If you've decided to purchase Volcano heating blocks for your project at 3DTrade online store, you’ve made the right choice. By buying a Volcano heating block from us, you will not only save money but also receive detailed consultation on any questions you may have regarding the operation and installation of heating blocks.