Слідкуй за спец. пропозиціями!
Дізнайся про знижки та акції першим
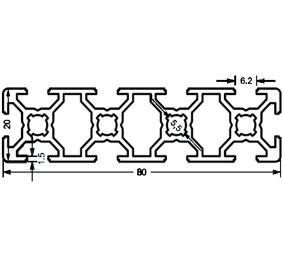
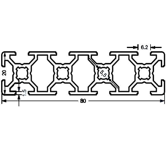
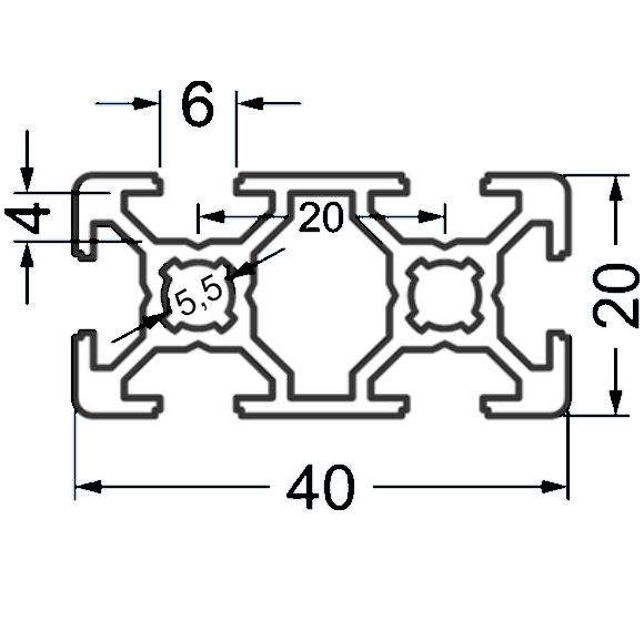
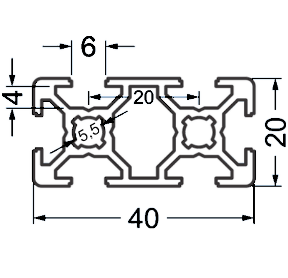
Зверніть увагу на тип станкового профілю та направляючих, чи відповідає він вашим завданням. При використанні коліс OpenBuilds вам потрібен профіль конструкційного типу V-slot.